Mâm cặp 3 chấu cứng dạng Camlock KD

Tính năng của Mâm cặp 3 chấu cứng dạng Camlock KD
Mũi trục ASA D1-4, D1-5, D1-6, D1-8
Loại camlock tiêu chuẩn của Mỹ với 2 miếng kẹp đỉnh cứng có thể đảo ngược.
Độ chính xác kẹp 0,03mm (0,0012 inch) TIR.
Phụ kiện tiêu chuẩn cờ lê mâm cặp, lục giác.
Chìa khóa. và một bộ bu lông lắp ghép. (UNC-bu lông)
Thân máy được làm bằng MEEHANITE. Nó được sử dụng phù hợp để có tốc độ quay cao và bền gấp 3 lần so với vật liệu thông thường.
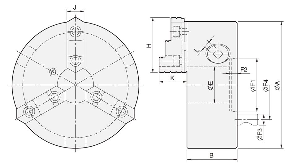
Bản vẽ Mâm cặp 3 chấu cứng dạng Camlock KD

Thông số kỹ thuật Mâm cặp 3 chấu cứng dạng Camlock KD
|
| A | B | E | H | J | K | L |
| Mô-men xoắn cho phép |
| Tối đa | Trọng lượng | Mômen | Phạm vi kẹp |
F1 / F2 / F3 / F4 | Đường kính ngoài / Đường kính trong | ||||||||||||||
KD4-8 " | D1-4 | 200 | 77,2 | 53 | 82 | 28 | 42,2 | 11,5 | 63.513 / 13 / 15.8 / 82.55 | 11,5 | 2500 | 2000 | 18,5 | 0,07 | Ø8-Ø180 / Ø62-Ø170 |
KD5-8 " | D1-5 | 200 | 77,2 | 55 | 82 | 28 | 42,2 | 11,5 | 82.563 / 16/19 / 104.78 | 11,5 | 2500 | 2000 | 18 | 0,07 | Ø8-Ø180 / Ø62-Ø170 |
KD6-8 " | D1-6 | 200 | 77,2 | 58 | 82 | 28 | 42,2 | 11,5 | 106.375/17 / 22.2 / 133.35 | 11,5 | 2500 | 2000 | 17 | 0,07 | Ø8-Ø180 / Ø62-Ø170 |
KD6-10 " | D1-6 | 250 | 86 | 76 | 90,9 | 32 | 50,8 | 19,5 | 106.375/17 / 22.2 / 133.35 | 19,5 | 4000 | 1800 | 29,5 | 0,2 | Ø11-Ø220 / Ø70-Ø210 |
KD6-12 " | D1-6 | 306 | 107,5 | 103 | 114,5 | 40 | 57,8 | 21.0 | 106.375 / 13.5 / 22.2 / 133.35 | 21.0 | 4200 | 1800 | 47 | 0,5 | Ø15-Ø300 / Ø90-Ø290 |
KD8-10 " | D1-8 | 250 | 86 | 80 | 90,9 | 32 | 50,8 | 19,5 | 139,719 / 19 / 25,4 / 171,45 | 19,5 | 4000 | 1800 | 27 | 0,2 | Ø11-Ø220 / Ø70-Ø210 |
KD8-12 " | D1-8 | 306 | 107,5 | 103 | 114,5 | 40 | 57,8 | 21.0 | 139,719 / 18 / 25,4 / 171,45 | 21.0 | 4200 | 1800 | 47 | 0,5 | Ø15-Ø300 / Ø90-Ø290 |
Tham khảo các dòng mâm cặp khác tại đường link : https://mayvannang.com/mam-cap
Tham khảo các dòng máy tiện CNC tại : https://mayvannang.com/may-gia-cong-cnc/may-tien-cnc-trung-quoc
Tham khảo các dòng máy tiện vạn năng tại : https://mayvannang.com/may-tien-van-nang
sales@mayvannang.com
